JJJ-3B直流絕緣監視繼電器

JJJ-3B直流絕緣監視繼電器

差動/重合閘/絕緣監視及其他繼電器系列
差動/重合閘/絕緣監視及其他繼電器系列
分享到:

JJJ-3B直流絕緣監視繼電器概述

發電廠和變電所的直流系統接線復雜,從主控制室到戶外變配電現場的電纜數量多、接線復雜、距離長,發生二次接線接地和(直流)絕緣降低的機會較多,所以在直流系統回路中裝設絕生象監視裝置,以及時發現接地點和絕緣降低的情況來改變事故的發生。

HJJ系列靜態直流絕緣監視繼電器是我公司在原先的技術基礎上最新研發的新一代高靈敏度產品。該產品完全可以代替原電磁型常規型號無需改變任何線路,與電磁型相比更直觀、更可靠接線方式更多種方式遠遠滿足客戶需求。

JJJ-3B直流絕緣監視繼電器工作原理

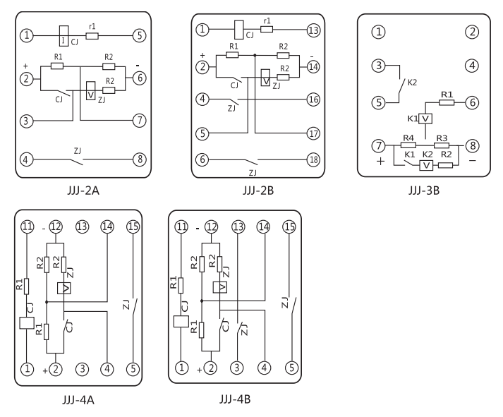
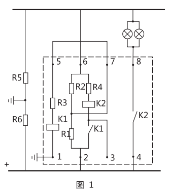
R1、 R2 (R1=R2)為橋臂平衡電阻,R5、R6為直流母線對地絕緣電阻,靈敏元件K1跨接在地和平衡電阻之間。正常工作時,電橋平衡,靈敏元件上無電流通過。在一側絕緣電阻下降時,便有一不平衡電流通過靈敏元件,當不平衡電流達到一定值時便側絕緣電阻下降時,便有一不平衡電流通過靈敏元件,當不平衡電流達到一定值時便動作,再由繼電器出口觸點接通報警信號發信號如圖所示。

JJJ-3B直流絕緣監視繼電器型號分類及含義

 

JJJ-3B直流絕緣監視繼電器主要技術參數

電流和直流電壓: (220V、1.5mA);(110V、3.1mA) ; (48V、6.3mA)。

繼電器動作值:當母線任何一側對地絕緣電阻下降到下表值時,繼電器應可靠動作并有相應的動作指示。

功率消耗:在直流220V額定電壓下繼電器動作后的功率消耗不大于5W。

熱穩定性(過載能力):繼電器可長期承受110%額定電壓。

工作壽命:產品可靠工作壽命為104。

介質強度:在基準條件下,產品各導電部分連在一起,對外露非帶電金屬部分及外殼之間,能承受交流有效值2000V/50HZ的試驗電壓歷時1分鐘,無絕緣擊穿或閃絡現象。

觸點性能:在電壓不超過250V,電流不超過2A,時間常數為5±0.75ms的直流有感負荷電路中產品輸出的斷開容量為50W。在電壓不大于250V,電流不大于1A的交流電路中功率因數為0.4±0.1)斷開容量為250VA。

JJJ-3B直流絕緣監視繼電器內部端子外引接線圖(正視)

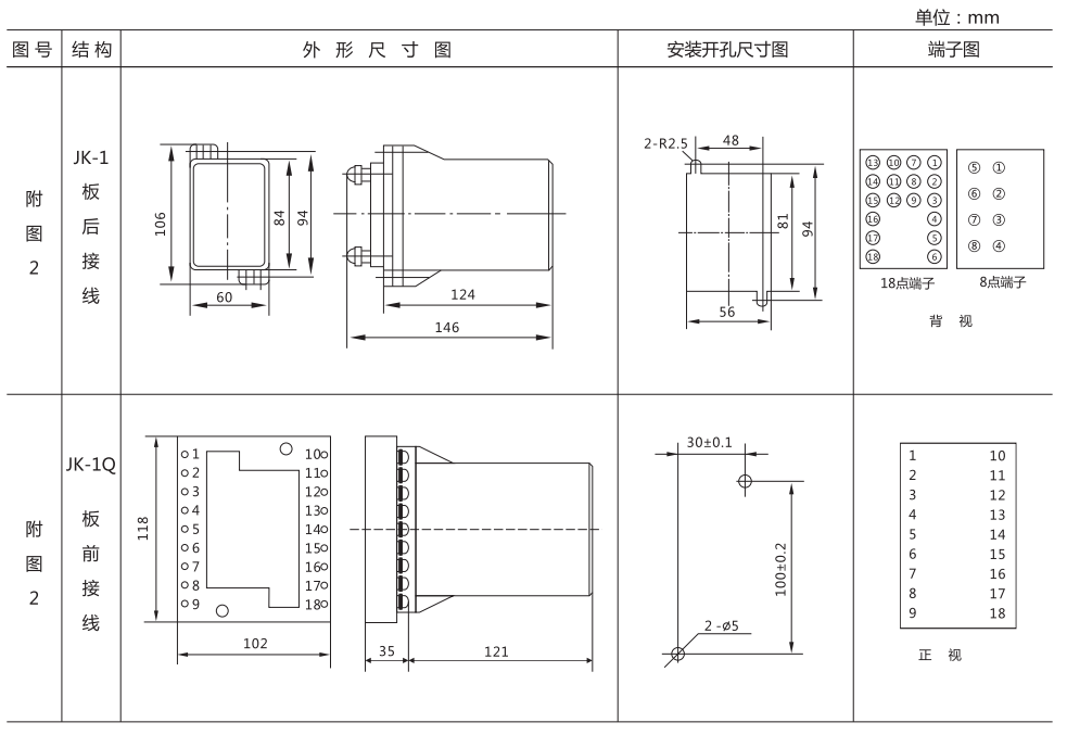
JJJ-3B直流絕緣監視繼電器外形尺寸及開孔尺寸圖

相關產品

JJJ-4A直流絕緣監視繼電器
JJJ-4A直流絕緣監視繼電器
LG-12功率方向繼電器
LG-12功率方向繼電器
ZJJ-2A直流絕緣監視繼電器
ZJJ-2A直流絕緣監視繼電器
JJJ-2B直流絕緣監視繼電器
JJJ-2B直流絕緣監視繼電器
JJJ-2A直流絕緣監視繼電器
JJJ-2A直流絕緣監視繼電器
BG-12B功率繼電器
BG-12B功率繼電器
行業新聞
MORE+
龍源環保中標湖北荊州火儲聯合調頻技術改造EPC項目
龍源環保中標湖北荊州火儲聯合調頻技術改造EPC項目

10月11日,長源電力發布公告,10月9日,公司收到招標代理機構國家能源集團國際工程咨詢有限公司發出的《中標通知書》,確定龍源環保為公司全資子公司國能長源荊州熱電有限公···

全國首口天然氫氣科學探井開鉆!
全國首口天然氫氣科學探井開鉆!

2025年10月8日,內蒙古自治區迎來我國能源探索史上的一個里程碑時刻——全國首口天然氫氣科學探井“金氫科探1井”正式開鉆。這是我國**面向天然氫氣資源實施的科學鉆探,···

存量0.3964元/度!重慶市深化新能源上網電價市場化改革實施方案出爐
存量0.3964元/度!重慶市深化新能源上網電價市場化改革實施方案出爐

10月15日,重慶市發展改革委關于印發《重慶市深化新能源上網電價市場化改革實施方案》的通知,通知指出,存量項目電量規模、機制電價和執行期限。1.存量項目范圍。2025年6···

海南電網有限責任公司2025年第二批數字化框架公開招標項目招標
海南電網有限責任公司2025年第二批數字化框架公開招標項目招標

近日,海南電網有限責任公司2025年第二批數字化框架公開招標項目招標公告。詳情如下:海南電網有限責任公司2025年第二批數字化框架公開招標項目招標公告(項目編號:CG0700···

應用經驗
MORE+
冬天熱風扇的使用細節和維護
冬天熱風扇的使用細節和維護

熱風扇是一種常見的小型電器,廣泛用于冷暖季節的溫度調節。它通過產生熱風來提供溫暖,使室內環境更加舒適。以下是熱風扇的使用細節和維護方法,幫助您更好地使用和保養這···

空調不制冷 如何調試和維修
空調不制冷 如何調試和維修

空調不制冷是常見的故障之一,可能由多種原因引起。在遇到這種情況時,可以采取一系列的調試和維修步驟,以盡快解決問題。以下是一些常見的調試和維修方法,幫助您定位并修···

冰箱壓縮機的調試和維修方法
冰箱壓縮機的調試和維修方法

冰箱壓縮機是冷藏系統的核心部件,負責壓縮和泵送制冷劑以維持冰箱內的低溫環境。調試和維修冰箱壓縮機需要一定的專業知識,以下是一些常見的調試和維修方法,以確保冰箱的···

汽車繼電器用于哪些方面?
汽車繼電器用于哪些方面?

汽車繼電器是車輛電氣系統中的重要組成部分,其主要作用是在電路中進行電氣控制。這些繼電器在汽車中扮演著關鍵的角色,用于多種不同的方面,以確保車輛的正常運行、提高安···

baidu, sogou, 360