ZJJ-2B直流絕緣監視繼電器

ZJJ-2B直流絕緣監視繼電器

差動/重合閘/絕緣監視及其他繼電器系列
差動/重合閘/絕緣監視及其他繼電器系列
分享到:

ZJJ-2B應用范圍

ZJJ-2B直流絕緣監視繼電器是監視直流母線絕緣情況的一種繼電器,并適用于監視低壓直流母線絕緣情況。當母線對地絕緣降低到一定值時,繼電器可預發警告信號。

ZJJ-2B主要技術參數

電壓等級和電流值: 220V、1.5mA; 110V、3.1mA;48V、6.3mA。

繼電器動作值:當母線任何一側對地絕緣電阻下降到下表值時,繼電器應靠動作。

觸點容量:在電壓不大于250V,電流不大于2A的直流有感負荷電路中(時間常數不大于5±0.75ms) ,斷開容量不大于50W。 

觸點壽命:繼電器輸出接點在上條規定的負荷條件下,產品能可靠動作及返回104次。

功率消耗:不大于7.5W。

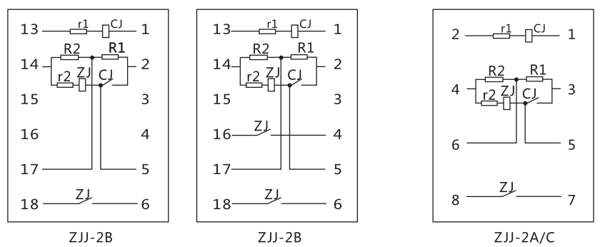
ZJJ-2B內部接線及外引接線圖

ZJJ-2B形及開孔尺寸

相關產品

JCH-1靜態合閘繼電器
JCH-1靜態合閘繼電器
JCH-2靜態合閘繼電器
JCH-2靜態合閘繼電器
JCH-3靜態合閘繼電器
JCH-3靜態合閘繼電器
ZJJ-2A直流絕緣監視繼電器
ZJJ-2A直流絕緣監視繼電器
LG-12功率方向繼電器
LG-12功率方向繼電器
JJJ-4A直流絕緣監視繼電器
JJJ-4A直流絕緣監視繼電器
行業新聞
MORE+
龍源環保中標湖北荊州火儲聯合調頻技術改造EPC項目
龍源環保中標湖北荊州火儲聯合調頻技術改造EPC項目

10月11日,長源電力發布公告,10月9日,公司收到招標代理機構國家能源集團國際工程咨詢有限公司發出的《中標通知書》,確定龍源環保為公司全資子公司國能長源荊州熱電有限公···

全國首口天然氫氣科學探井開鉆!
全國首口天然氫氣科學探井開鉆!

2025年10月8日,內蒙古自治區迎來我國能源探索史上的一個里程碑時刻——全國首口天然氫氣科學探井“金氫科探1井”正式開鉆。這是我國**面向天然氫氣資源實施的科學鉆探,···

存量0.3964元/度!重慶市深化新能源上網電價市場化改革實施方案出爐
存量0.3964元/度!重慶市深化新能源上網電價市場化改革實施方案出爐

10月15日,重慶市發展改革委關于印發《重慶市深化新能源上網電價市場化改革實施方案》的通知,通知指出,存量項目電量規模、機制電價和執行期限。1.存量項目范圍。2025年6···

海南電網有限責任公司2025年第二批數字化框架公開招標項目招標
海南電網有限責任公司2025年第二批數字化框架公開招標項目招標

近日,海南電網有限責任公司2025年第二批數字化框架公開招標項目招標公告。詳情如下:海南電網有限責任公司2025年第二批數字化框架公開招標項目招標公告(項目編號:CG0700···

應用經驗
MORE+
冬天熱風扇的使用細節和維護
冬天熱風扇的使用細節和維護

熱風扇是一種常見的小型電器,廣泛用于冷暖季節的溫度調節。它通過產生熱風來提供溫暖,使室內環境更加舒適。以下是熱風扇的使用細節和維護方法,幫助您更好地使用和保養這···

空調不制冷 如何調試和維修
空調不制冷 如何調試和維修

空調不制冷是常見的故障之一,可能由多種原因引起。在遇到這種情況時,可以采取一系列的調試和維修步驟,以盡快解決問題。以下是一些常見的調試和維修方法,幫助您定位并修···

冰箱壓縮機的調試和維修方法
冰箱壓縮機的調試和維修方法

冰箱壓縮機是冷藏系統的核心部件,負責壓縮和泵送制冷劑以維持冰箱內的低溫環境。調試和維修冰箱壓縮機需要一定的專業知識,以下是一些常見的調試和維修方法,以確保冰箱的···

汽車繼電器用于哪些方面?
汽車繼電器用于哪些方面?

汽車繼電器是車輛電氣系統中的重要組成部分,其主要作用是在電路中進行電氣控制。這些繼電器在汽車中扮演著關鍵的角色,用于多種不同的方面,以確保車輛的正常運行、提高安···

baidu, sogou, 360